FEATURES
● Segment outputs: 160 outputs
● Common outputs: 2 outputs
● Power supply to logic system: 1.65V ~ 3.6V
● Power supply to OLED system:7.0V ~ 18V
● Segment output current adjustment: 128 steps for each output.
● Dimming control: 1024-step PWM
● Segment output current: 50uA(Typical), 250μA(Max)
● Interface
-Parallel interface: 6800 / 8080-series command (8 bits) / data (8 bits)
-Serial interface: 3 wire SPI interface / 4 wire SPI interface / I2C interface
● Package- COG
- Gold Bump dice
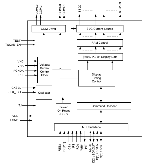
● Block Diagram
