FEATURES
● Up to 140 segments for 1/4 duty drive can be displayed
● Serial interface for clock, Data Input, Strobe pins
● Serial data control of the power-saving mode based backup function and all the segments forced off function
● Serial data control of switching between the segment output port and the general-purpose output port functions
● Serial data control of frame frequency for common and segment output waveforms
● High generality, since display data is displayed directly without decoder intervention
● The INHB pin can force the display to the off state
● RC oscillator circuit
● Programmable PWM signal output pins
● AEC-Q100 Grade 2 Compliant for Automotive Applications
● Package Type - LQFP48
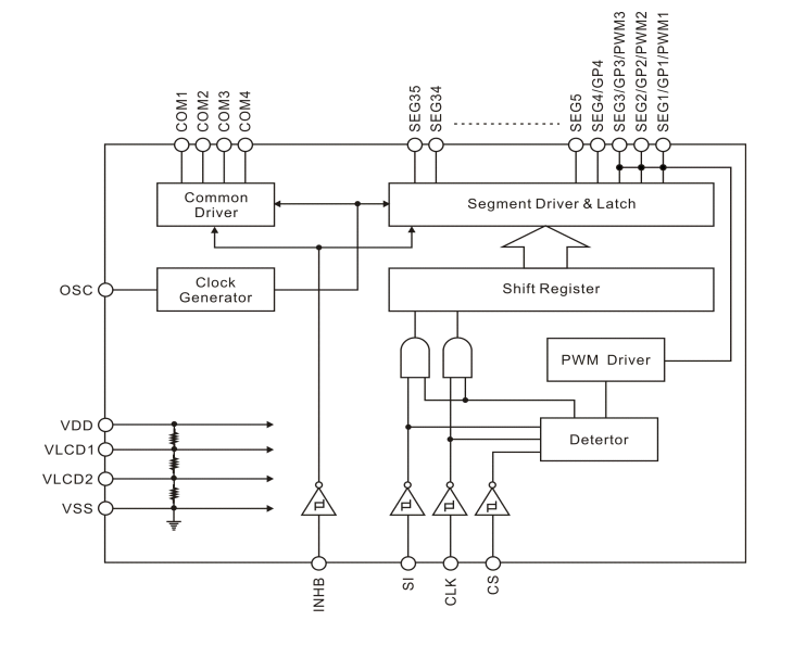
● Block Diagram
