FEATURES
● Switching between 1/2 bias and 1/3 bias drive techniques under serial data control.
● Up to 208 segments for 1/4 duty drive can be displayed.
● Serial data control of switching between the segment output port and the general-purpose output port functions.
● Serial data control of frame frequency for common and segment output waveforms.
● High generality, since display data is displayed directly without decoder intervention.
● Built-in OSC circuit
● The INHB pin can force the display to the off state.
● Programmable PWM signal output pins
● AEC-Q100 Grade2 Complaint for Automotive Applications
● Package- LQFP64
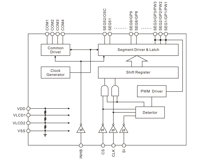
● Block Diagram
