● Logic power supply voltage:2.7to 5.5 V
● LCD drive power supply voltage:4.5to 5.5 V
● Maximum number of segments
- Static display:80segments
-1/2-duty display:160segments
-1/3-duty display:240segments
-1/4-duty display:320segments
● Interface with microcomputer:
- Serial interface: DATA, CLOCK, LOAD
- CLOCK transfer speed up to 1 MHz
- I2C interface: SDA, SCL, SDAACK
- SCL transfer speed up to 400 kHz
● Built-in CR oscillator circuit using the internal resistor or External resistor
● Cascade connectable (up to sixteen chips)
● Built-in common signal generation circuit
● Built-in common output intermediate-value voltage generation circuit
● Built-in POC (Power On Clear) circuit
● Gold bump chip
● Package- COG
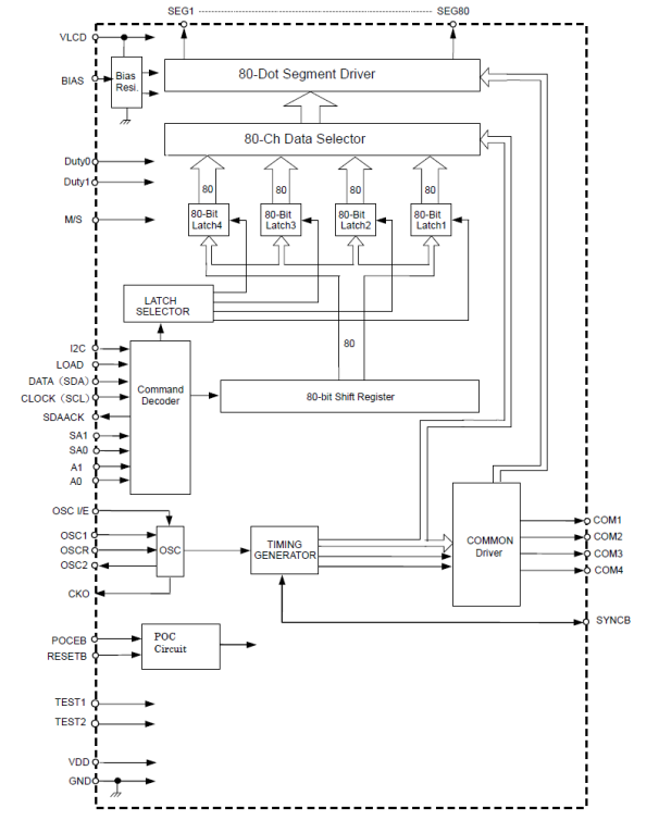
● Block Diagram
