PT16527 is a General Purpose LCD Driver IC utilizing CMOS Technology specially designed for electronic tuners controlled by microcontroller. It can drive up to a maximum of 204 segment outputs and can control up to 12 general purpose output ports. Pin assignments and application circuit are optimized for easy PCB layout and cost saving advantages.

FEATURES


● Up to 204 Segments Outputs

● 1/3duty and 1/4 duty drive schemes can be controlled from serial data.

● 1/2 bias and 1/3 bias drive schemes can be controlled from serial data.

● Power Saving Mode and all Segments OFF Function

● Direct Display of Display Data without using a Decoder

● RC Oscillation Circuit

● Power Supply Voltage 3.3to 6V

● CMOS/TTL compatible logic input pins

● LCD Drive Bias Voltage can be provided internally or externally

● AEC-Q100 Grade 2 Compliant for Automotive Applications

● Package -LQFP64

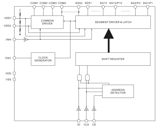
● Block Diagram


APPLICATIONS


● Electronic Dictionary / Translator

● P.O.S.

● Caller ID

● Pager

● Mini Compo

● Electronic Equipment with LCD Display

資源下載

Documentation

Tools

Application Note