FEATURES
● AEC-Q100 grade 2 compliant for automotive applications
● Single chip LCD controller and driver
● Selectable backplane drive configuration: static,3, or 4 backplane multiplexing
● Selectable display bias configuration: static,1/2, or 1/3
● Internal LCD bias generation with buffers
● 18 Segment drives:
- Up to 9“7-segment” numeric characters
- Up to 4“14-segment” alphanumeric characters
- Any graphics of up to 72 segments/elements
● Auto-incrementing display data and instruction loading
● Versatile blinking modes
● Independent supplies of VLCD and VDD
● Power supply ranges:
-3.3V to 6.0 V for VLCD
-2.7V to 6.0 V for VDD
● 1MHz I2C-bus interface
● Internally generated or externally supplied clock signal
● Package - QFP32
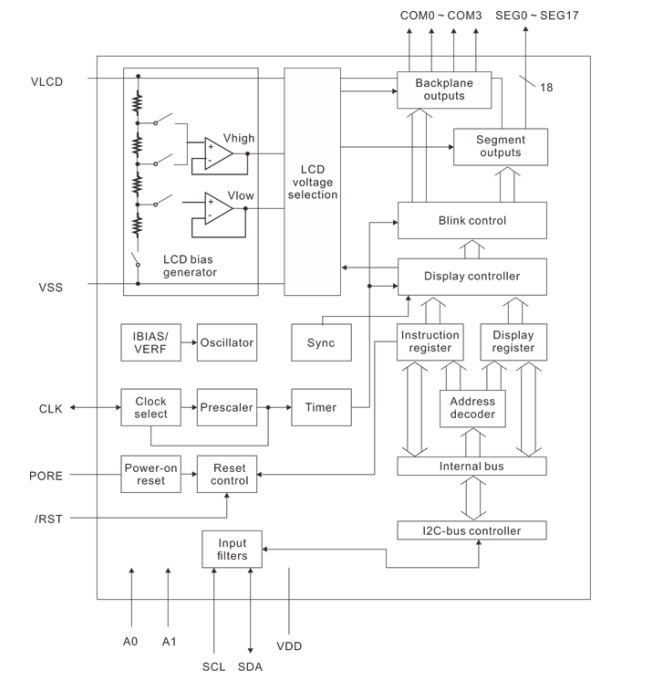
● Block Diagram
