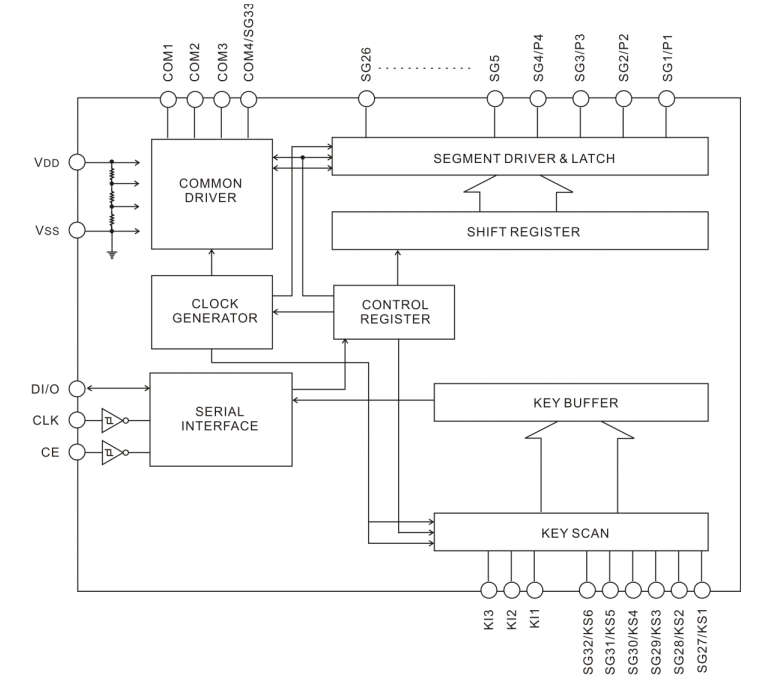
PT16556 is a General Purpose LCD Driver IC utilizing CMOS Technology specially designed for electronic tuners controlled by microcontroller. It can drive up to a maximum of 128 segment outputs and can control up to 4 general purpose output ports. Pin assignments and application circuit are optimized for easy PCB layout and cost saving advantages.

FEATURES


● CMOS Technology

● Up to 128 LCD Segments(4 Com X 32 Seg) with 18 key scan

● Up to 99 LCD Segments(3 Com X 33 Seg) with 18 key scan

● Up to 4 General Purpose Output Ports

● 1/4;1/3 Duty – 1/2 Bias or 1/4;1/3Duty – 1/3 Bias Drive Technique

● Power Saving Mode provided

● Power Supply Voltage:2.7V ~ 6V

● CMOS/TTL compatible logic input pins

● AEC-Q100 Grade2 Compliant for Automotive Applications

● Package - LQFP44

● Block Diagram


APPLICATIONS


● Frequency Display for Electronic Tuners

資源下載

Documentation

Tools

TitleFileVersionDate
Brief   

Application Note