FEATURES
● Key input function for up to 30 keys (A key scan is performed only when a key is pressed.)
● 1/3 duty and 1/4 duty drive schemes can be controlled from serial data.
● 1/2 bias and 1/3 bias drive schemes can be controlled from serial data.
● Capable of driving up to 126 segments using 1/3 duty and up to 164 segments using 1/4 duty.
● Sleep mode and all segments off functions that are controlled from serial data.
● Switching between key scan output and segment output can be controlled from the serial data.
● The key scan operation enabled/disabled state can be controlled from the serial data.
● Switching between segment output port and general-purpose output port can be controlled from serial data.
● The common and segment output waveform frame frequency can be controlled from the serial data.
● Switching between RC oscillator mode and external clock mode can be controlled from the serial data.
● Serial data I/O supports CCB format communication with the system controller.
● Direct display of display data without the use of a decoder provides high generality.
● Independent VLCD for the LCD driver block.
(When the logic block supply voltage VDD is in the range 3.6 to 6.0V, VLCD can be set to a voltage in the range 0.75 x VDD to 6.0V, and when VDD is in the range 2.7 to 3.6V, VLCD can be set to a voltage in the range 2.7 to 6.0V.)
● Provision of an on-chip voltage-detection type reset circuit prevents incorrect displays.
● AEC-Q100 Grade2 Compliant for Automotive Applications
● Package - LQFP64
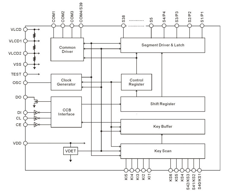
● Block Diagram
