● Switching between 1/3 duty and 1/4 duty drive techniques under serial data control.
●· Switching between 1/2 bias and 1/3 bias drive techniques under serial data control.
● Up to 258 segments for 1/3 duty drive and 340 segments for 1/4 duty drive can be displayed.
● Serial interface for clock, Data Input, Data Output, Strobe pins.
● Serial data control of the power-saving mode based backup function and all the segments forced off function.
● Serial data control of switching between the segment output port and the general-purpose output port functions.
● Serial data control of frame frequency for common and segment output waveforms.
● High generality, since display data is displayed directly without decoder intervention.
● Built-in display contrast adjustment circuit
● Independent VLCD for the LCD driver block
● The /INH pin can force the display to the off state.
● RC oscillator circuit
● AEC-Q100 Grade2 Compliant for Automotive Applications
● Package - LQFP100
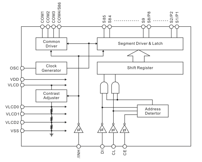
● Block Diagram
