FEATURES
● CMOS technology
● Up to 153 segments for 1/3 duty and 200 segments for 1/4 duty drive can be displayed
● 1/3 Duty - 1/2 Bias and 1/3 Duty - 1/3 Bias drive techniques
● 1/4 Duty - 1/2 Bias and 1/4 Duty - 1/3 Bias drive techniques
● Power saving mode and all segments OFF function
● Direct display of display data without using a decoder
● RC oscillation circuit
● Power supply voltage:4.5V to 6V
● CMOS/TTL compatible logic input pins
● LCD drive bias voltage can be provided internally or externally
● On-Chip voltage detection type reset circuit
● Programmable PWM signal output pins
● Package - LQFP64
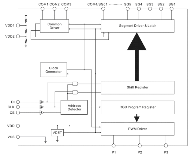
● Block Diagram
