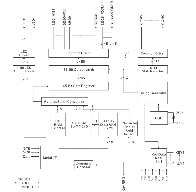
FEATURES
● Dot matrix LCD controller/driver
● Pictograph display segment drive capability (MAX. 64)
● LCD driver unit power supply VLCD independently settable (MAX. 10 V)
● On-chip key scan circuit (8 × 4 matrix)
● Alphanumeric character and symbol display capability provided by on-chip ROM (5 × 7 dots)
● 240 characters + 16 user-defined characters
● Display contents
- 1/8 duty: 13 columns × 1 line, 64 pictograph displays, 4 LEDs
- 1/15 duty: 12 columns × 2 lines, 60 pictograph displays, 4 LEDs
● Serial data input/output (SCK, /STB, DATA)
● On-chip oscillator
● Reduced power consumption possible using standby mode
● Package- TQFP100
● Block Diagram
