FEATURES
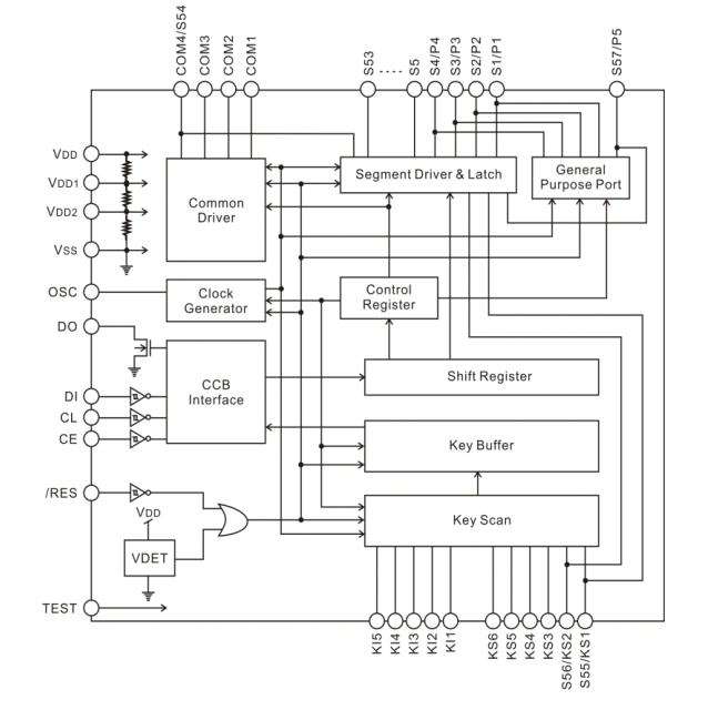
● Key input function for up to 30 keys (A key scan is performed only when a key is pressed.)
● 1/4 duty 1/3 bias and 1/3 duty 1/3 bias drive schemes can be controlled from serial data.
● Capable of driving up to 224 segments using 1/4 duty and up to 171 segments using 1/3 duty.
● Switching between key scan output and segment output can be controlled from serial data.
● The key scan operation enabled/disabled state can be controlled from serial data.
● Switching between segment output port and general-purpose output port can be controlled from serial data.
● Switching between general-purpose output port, clock output port, and segment output port can be controlled from serial data. (Up to 5 general-purpose output ports and up to one clock output port)
● Serial data I/O supports CCB format communication with the system controller. (Support 3.3V and 5V operation)
● Sleep mode and all segments off functions that are controlled from serial data.
● The frame frequency of the common and segment output waveforms can be controlled from serial data.
● Switching between RC oscillator operating mode and external clock operating mode can be controlled from serial data.
● Direct display of display data without the use of a decoder provides high generality.
● Provision of an on-chip voltage-detection type reset circuit prevents incorrect displays.
● /RES pin provided for forcibly initializing the IC internal circuits
● Package - LQFP80
