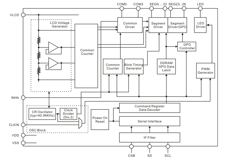
FEATURES
● LCD drive output: Common output: 4, Segment output: 27
● Integrated Display data RAM (DDRAM):
RAM: 27x4 =108bit
● 3-wire Serial interface (SD, SCL, CSB)
● Integrated Oscillator circuit
● Integrated LCD Voltage generator circuit
● Support: 1/3 Bias, 1/3 or 1/4 Duty
● Support: 1/1 Bias, 1/1Duty (Static Driving)
● Integrated buffer amp
● Support separate power supply for Logic (VDD) and LCD (VLCD)
● Integrated LED driver circuit
● Segment output mode/GPO output mode selectable
● Support PWM generation from external clock or internal clock (resolution: 8bit)
● Low power consumption
● Support standby mode
● Integrated Power-On-Reset circuit (POR)
● No external components
● Support Blink function (Blink frequency 1.6, 2.0, 2.6, 4.0Hz selectable)
● Operating power supply: 1.8 ~ 3.6V
● LCD drive power supply: 2.7 ~ 5.5V
● Package Type-QFN40
● Block Diagram
