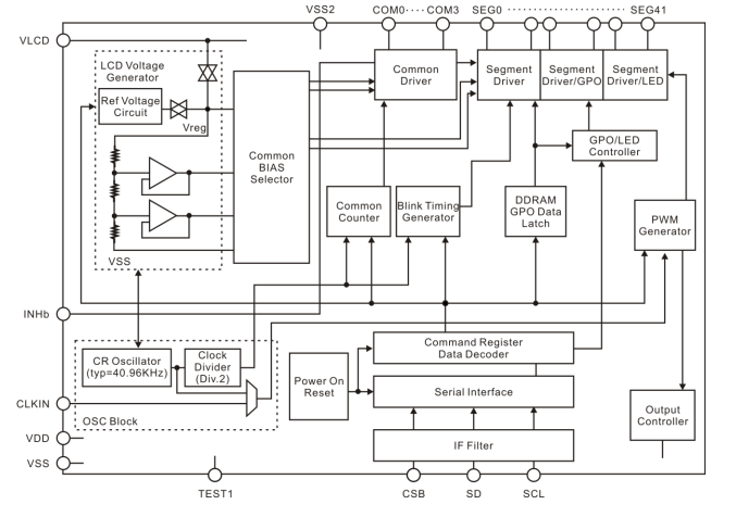
FEATURES
● LCD drive output:
Common output: 4;
Segment output: 42
Integrated Display data RAM (DDRAM): 42x4bit
● Integrated 3ch LED driver circuit
● 3-wire Serial interface (SD, SCL, CSB)
● Segment/LED (Max. 3 ports) output mode selectable
● Segment/GPO (Max. 27 ports) output mode selectable
● Support PWM generation from ext. or internal clock (Resolution: 8-bit mode/12-bit mode selectable)
● Integrated Oscillator circuit
● Integrated LCD Voltage generator circuit
● Support: 1/3 Bias, 1/3 or 1/4 Duty
● Support: 1/1 Bias, 1/1Duty (Static Driving)
● Bias: Static, 1/3
● Integrated regulator for LCD driver: 3.2, 3.3, 3.4, 4.4, 4.5, 4.6, 5.0V selectable
● Integrated buffer amp
● Support separate power supply for Logic (VDD) and LCD (VLCD)
● Low power consumption
● Support standby mode
● Integrated Power-On-Reset circuit (POR)
● No external components
● Support Blink function (Blink frequency 1.6, 2.0, 2.6, 4.0Hz selectable)
● Operating power supply: 1.8~3.6V
● LCD drive power supply: 3.3~5.5V
● Package Type - QFN56
● Block Diagram
