FEATURES
● 256-gray scale source driver for active matrix TFT LCD panels
● Selectable 1440 / 1284 / 1278 / 1260 / 1200 / 1080 / 1026 / 1020 / 960 / 804 / 768 output channels
● Logic voltage power supply: 2.7V to 3.6V
● High voltage power supply: 8.0V to 14.6V
● Maximum RSDS operating frequency at 85 MHz
● Maximum mini-LVDS operating frequency at 300 MHz
● Bi-directional shift right/left function
● Package-COG
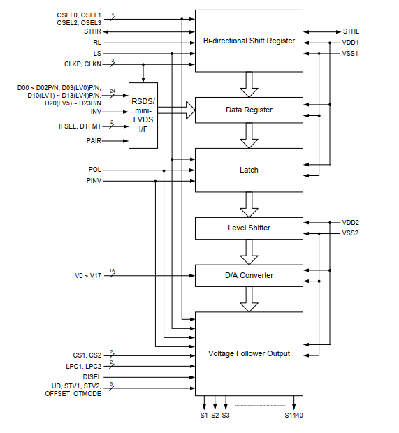
● Block Diagram
