FEATURES
● 256-gray scale source driver for active matrix TFT LCD panels
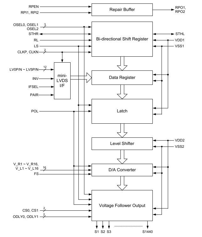
● Selectable 1440 / 1368 / 1284 / 1272 / 1200 / 1152 / 1080 / 960 output channels
● Half VDD2 function
● Logic voltage power supply: 2.7V to 3.6V
● High voltage power supply: 8.0V to 13.5V
● Maximum mini-LVDS operating frequency at 300 MHz
● Bi-directional shift right/left function
● Package-COG
