FEATURES
● 64-gray scale source driver for active matrix TFT LCD panels
● Selectable 1200 / 1050 / 1026 / 1020 / 960 output channels
● Logic voltage power supply: 2.3V to 3.6V
● High voltage power supply: 6.5V to 13.5V
● Maximum TTL operating frequency at 55 MHz
● Maximum RSDS operating frequency at 90 MHz
● Maximum mini-LVDS operating frequency at 240 MHz
● Bi-directional shift right/left function
● Package-COG
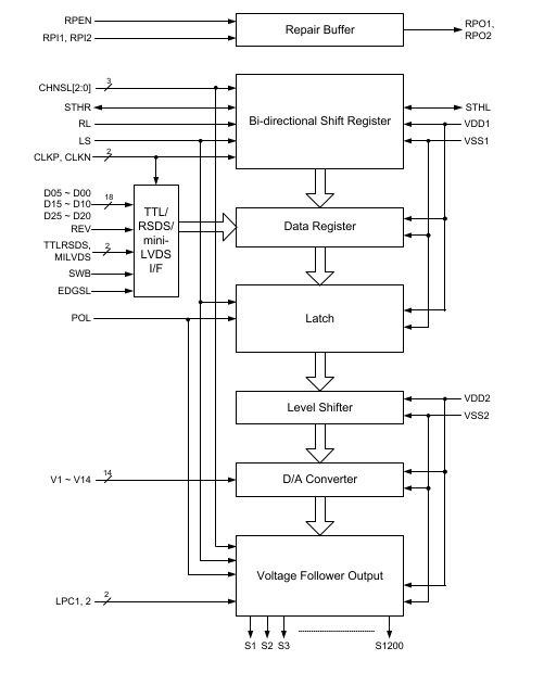
● Block Diagram
